
Врізні замки Cisa
Якщо йдеться про брендові високоякісні замки, то продукція італійської компанії Чиза, поряд із замками Моттура, займає особливе місце — їй комплектують свої вхідні двері багато виробників Одеси. Замки Чиза надійні та перевірені часом — у бренду довга історія, їхня продукція відзначена різними нагородами.
Однією з важливих особливостей замків Cisa є можливість зміни секретного коду (перекодування) та механізм Revolution – привід зусилля від ключа до засувів за допомогою шестерної передачі. Зубчастий привід забезпечує плавний хід ригелів і м'яку роботу всієї механіки замка загалом, а перекодування при втраті ключів дозволить обмежитися лише покупкою нового комплекту — замок міняти не доведеться.
![]() |
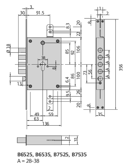
Модель Cisa 56435Замок із защіпкою та керуванням ручкою для сталевих дверей з правим та лівим відкриттям.
Дивитися розміри замка. |
![]() |
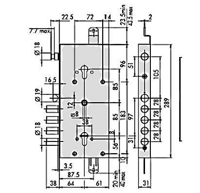
Модель Cisa 56535Редукторний замок із защіпкою та керуванням ручкою для сталевих дверей з правим та лівим відкриттям. На відміну від попередньої моделі є редуктор.
Дивитися розміри замка. |
![]() |
Модель Cisa 56786Подвоєний замок із защіпкою та керуванням ручкою для важких сталевих дверей з правим та лівим відкриттям. Особливість моделі — керування двома циліндрами: верхня защіпка керується верхнім циліндровим механізмом, нижні засуви — нижнім циліндром.
Дивитися розміри замка. |
|
Модель Cisa 57685Редукторний замок із защіпкою та керуванням ручкою для сталевих дверей з правим та лівим відкриттям. Можливе багаторазове перекодування. Комплектація замка містить набір із технічним ключем та запечатаним комплектом основних ключів. Технічний ключ використовується на стадії будівельних робіт, після їх закінчення замок перекодується на основний набір.
Дивитися розміри замка. |
![]() |
Модель Cisa 57785Подвійний замок із защіпкою та керуванням ручкою для важких сталевих дверей з правим та лівим відкриттям. Верхня защіпка керується циліндровим механізмом, чотири нижні засуви сугальдною частиною замка. Особливістю моделі є технологія Antipicking, що підвищує рівень протистояння замка для розкриття маніпуляційними методиками.
Дивитися розміри замка. |
|
Модель Cisa 57986Подвійний замок із защіпкою та керуванням ручкою для важких сталевих дверей з правим та лівим відкриттям. Можливе багаторазове перекодування. Верхня защіпка керується циліндровим механізмом, чотири нижні засуви — сугальдною частиною замка. Комплектація замка містить набір із технічним ключем та запечатаним комплектом основних ключів. Технічний ключ використовується на стадії будівельних робіт, після їх закінчення замок перекодується на основний набір.
Дивитися розміри замка. |
![]() |
Модель Cisa 67535Замок із защіпкою та керуванням ручкою для сталевих дверей з правим та лівим відкриттям. Замок має можливість одноразового перекодування та комплектується двома наборами ключів. Технічні ключі замикають замок на один оберт і використовуються на стадії будівельних робіт. Після закінчення двома обертами ключа основного набору замок перекодується на основний набір, технічні ключі підходити вже не будуть.
Дивитися розміри замка. |
![]() |
Модель Cisa 6525Редукторний замок для сталевих дверей з правим та лівим відкриттям. Защіпки та ручки немає.
Дивитися розміри замка. |













