Замок Моттура 54.797 Matic

Подвійний замок 54-ї серії із защіпкою, керуванням фалевою ручкою та можливістю одноразового перекодування. Основне призначення — експлуатація у важких сталевих дверях. Виготовлений в Італії.

Моттура 54.797 Matic odessa

Дивитись креслення

Технічні характеристики

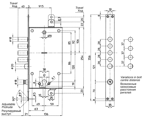
  • Тип замка за способом монтажу — врізний (бічний)
  • Кількість замків — 2 (верхній основний сугальдний та нижній циліндровий)
  • Кількість повних обертів сугальдного замка — 2
  • Кількість повних обертів циліндрового замка — 1
  • Кількість ригелів — 4+1 (⌀18 мм)
  • Зміна секретного коду — є (одноразова)
  • Наявність защіпки — є
  • Керування фалевою ручкою — є
  • Повний вихід ригелів — 40 мм
  • Місце замикання — 3 (багатостороннє замикання)
  • Хід тяг системи багатостороннього замикання — 20 мм
  • Бексет — 63 мм
  • Покриття планки — нікель
  • Два технічні ключі + п'ять основних
  • Габарити корпусу: 254х136х18 мм
  • Торцева пластина: 356х35х3 мм

 

Особливості моделі

Моттура 54.797 у модифікації Matic дозволяє зробити самостійне одноразове перекодування. Замок комплектується двома наборами ключів — технічні замикають замок лише на один повний оберт, ними користуються робітники на стадії будівельних робіт. Після завершення у замок вставляється ключ основного набору і після двох повних обертів замок перекодується на основні ключі.

Верхній замок моделі керує приводами до тяг системи багатостороннього замикання та оснащений секретним механізмом сугальдного типу з подвійною борідкою і крученими пружинами. Частина сугальд оснащена обманними пазами, частина може бути без пружин та виставлятися ключем. Ключі замка несиметричні — борідки (боки) мають різні секрети на шести різних висотах. Всі описані рішення спрямовані на підвищення протистояння інтелектуальним методикам розкриття — насамперед роботі відмичками.

Верхній замок також оснащений захистом від згортання (силового повороту) — для цього ослаблений хвостовик засува, який при перевищенні зусилля повороту обламується, унеможливлюючи подальшу роботу згортишем. Стійка хвостовика засува захищена від висвердлювання запресованою загартованою кулькою, а спеціальний важіль запобігає забиванню ригелів усередину корпусу.

Протистояння всім видам зламу підвищується наявністю «фірмової» технології подвійних замків Моттура — перекриттям твердосплавною заслінкою ключової щілини верхнього сугальдного замка при закритті нижнього.

У комплект, крім замка, входить запірна планка, внутрішня та зовнішня декоративні накладки, набір із п'яти ключів.

Замки Mottura в Одесі
від офіційного представника

Одеса, Старокінний ринок,
Магазин КП-9.
Тел. (067) 431-32-30, (099) 420-73-98
Щоденно c 9.00 до 16.00 без вихідних
Copyright © Protektor® 2016.
Всі права захищені.
Використання матеріалів заборонено!
Розробка та підтримка сайту: serg@webserg.com
(067) 431-32-30
Щоденно c 9.00 до 16.00 без вихідних