

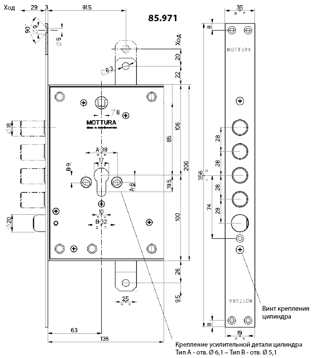
Замок Моттура 85.971Q
Циліндрова модель 85-ї серії з блокуванням циліндра, защіпкою та керуванням фалевою ручкою. Основне призначення — експлуатація у важких сталевих дверях. Виготовлений в Італії.
Особливості моделі
Модель призначена для роботи з циліндровими механізмами із європейським типорозміром корпусу (євроциліндри). Замок оснащений захистом від забивання ригелів усередину корпусу та блокуванням ходу ригелів при несанкціонованому вилученні циліндра (вибиванні, зламі з вириванням тощо). Блокування працює у закритому положенні замка при повністю висунутих ригелях.




