Замок Моттура 50.022 (89.723)

Модель 50-ї серії з защіпкою та можливістю керування фалевою ручкою. Основне призначення — експлуатація в сталевих дверях та конструкціях зі сталі. Виготовлений в Італії.

Моттура 50.022 odessa

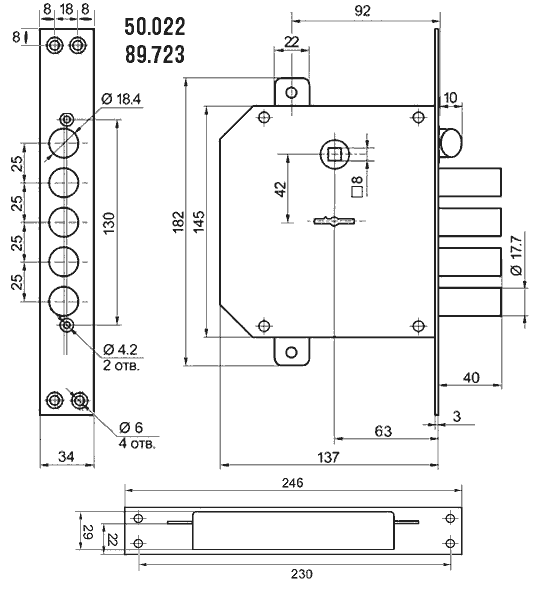
Розміри моделі

Технічні характеристики

  • Тип замка за способом монтажу — врізний (бічний)
  • Кількість повних обертів — 2
  • Кількість ригелів — 4 (⌀18 мм)
  • Зміна секретного коду є (змінний блок сугальд)
  • Наявність защіпки — є
  • Керування фалевою ручкою — є
  • Повний вихід ригелів — 40 мм
  • Місце замикання — 3 (багатостороннє замикання)
  • Хід до девіаторів системи багатостороннього замикання — 20 мм
  • Бексет — 63 мм
  • Покриття планки — нікель
  • П'ять ключів з відстанню між головкою та борідками 50 мм
  • Габарити корпусу: 132х146х29 мм
  • Торцева пластина: 245х34х3 мм

Особливості моделі

Модель має секретний механізм сугальдного типу з подвійною борідкою та крученими пружинами. Частина сугальд оснащена несправжніми пазами, частина може бути без пружин та виставлятися ключем. Ключі замка несиметричні — борідки (боки) мають різні секрети на шести різних висотах. Всі описані рішення спрямовані на підвищення протистояння інтелектуальним методикам розкриття — насамперед роботі відмичками.

Замок оснащений захистом від згортання (силового повороту) — для цього ослаблений хвостовик засува, який при перевищенні зусилля повороту обламується, унеможливлюючи подальшу роботу згортишем. Стійка хвостовика засува захищена від висвердлювання запресованою загартованою кулькою.

У комплект, крім замка, входить запірна планка, внутрішня та зовнішня декоративні накладки та набір із п'яти ключів.

Замки Mottura в Одесі
від офіційного представника

Одеса, Старокінний ринок,
Магазин КП-9.
Тел. (067) 431-32-30, (099) 420-73-98
Щоденно c 9.00 до 16.00 без вихідних
Copyright © Protektor® 2016.
Всі права захищені.
Використання матеріалів заборонено!
Розробка та підтримка сайту: serg@webserg.com
(067) 431-32-30
Щоденно c 9.00 до 16.00 без вихідних